Selection Part 2: Free AutoCAD Tutorial
Master AutoCAD Selection Tools and Techniques Efficiently
This is Part 2 of the AutoCAD Selection tutorial series. Ensure you have completed Part 1 or are familiar with basic AutoCAD navigation before proceeding.
Key Learning Areas
Block Selection Fundamentals
Learn how blocks function as single entities with unique selection properties. Understand the difference between blocks and individual objects in AutoCAD.
Selection Box Techniques
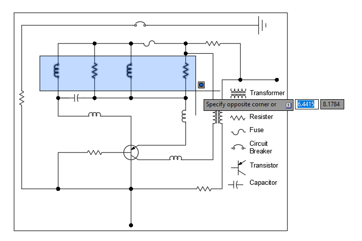
Master both Crossing Selection (green) and Window Selection (blue) methods. Practice creating precise selection boundaries for complex drawings.
Advanced Selection Methods
Explore keyboard shortcuts, Select Similar commands, and bulk selection techniques. Learn to efficiently manage large numbers of objects.
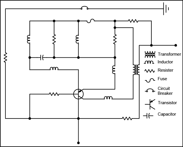
Blocks are pre-drawn named objects that behave as single entities. They feature only one grip point, making them significantly easier to select and manipulate compared to complex multi-object drawings.
Selection Methods Comparison
| Feature | Crossing Selection | Window Selection |
|---|---|---|
| Box Color | Green | Blue |
| Cursor Direction | Right to Left | Left to Right |
| Selection Criteria | Touches any part | Completely enclosed |
| Best Use Case | Partial object selection | Precise bounded selection |
Crossing Selection Technique
Position Cursor
Move cursor above and to the right of the target area without clicking
Create Green Box
Pull cursor left to create a green selection box that encompasses desired objects
Complete Selection
Click to establish the opposite corner - all touched objects will be selected
Window Selection Technique
Position Cursor
Move cursor above and to the left of the target area
Create Blue Box
Pull cursor right to create a blue selection box
Precise Selection
Only objects completely covered by the box will be selected
Essential Selection Commands
Remove specific items from current selection set
Clear all current selections and return to normal state
Automatically select all objects of the same type
Activates grip mode instead of command selection
Selects all objects while maintaining active command
CTRL-A activates grip mode and exits the current command, while typing ALL during a Select Objects prompt keeps you in the active command. Use ALL for command-based selections.
Block-Based Drawings
Key Takeaways

