Layer States & Layer Properties
Master AutoCAD layer management and drawing organization
AutoCAD Layer Management Fundamentals
Layer States
Control visibility and behavior of drawing elements. Freeze layers to hide objects and improve system performance by reducing rendering load.
Layer Properties
Assign specific characteristics like linetypes, colors, and weights to organize and standardize your technical drawings.
Layer Control Tools
Use Make Current, Lock/Unlock, and Freeze/Thaw commands to efficiently manage drawing elements throughout your workflow.
Learning Objectives Checklist
Essential for managing complex drawings and preventing accidental modifications
Ensures consistent drafting standards and professional appearance
Temporary elements that aid in precision without cluttering final drawings
Improves system performance while maintaining drawing organization
This exercise uses Layers-Mechanical.dwg, which is based on a Mechanical template with pre-configured layers appropriate for mechanical drafting standards.
Layer Management Workflow
Identify Current Layer
Check the Layer Control to see the active Object layer and understand layer assignments of existing elements
Use Make Current Command
Select LAYMCUR or Make Objects Layer Current tool to quickly switch active layers based on selected objects
Draw with Layer-Specific Properties
Create new objects that inherit the linetype and properties of the current active layer
Manage Layer Visibility
Freeze construction layers to declutter the drawing while preserving objects for potential future use
Layer State Controls
Freeze vs Hide
Frozen layers are not rendered by the computer, improving performance. Thawed layers show Sun icons, while frozen layers display Snowflake icons.
Layer Locking
Locked layers prevent accidental modification. Objects fade based on the Locked Layer Fading slider, and grips are disabled for locked objects.
Template Integration
Layer properties are typically pre-assigned in template files. Mechanical templates use different dimensioning styles than architectural templates.
Layer Properties Manager Access
Command Entry
Type LAYER command in the command line to open the Layer Properties Manager dialog
Toolbar Access
Click the Layer Properties button in the layer toolbar for quick access to management tools
Template Configuration
Layer properties are pre-configured in template files like Mechanical-Imperial.dwt for consistent standards
Freezing unused layers instead of just hiding them reduces memory usage and improves AutoCAD performance, especially important for large or complex drawings.
Key Takeaways


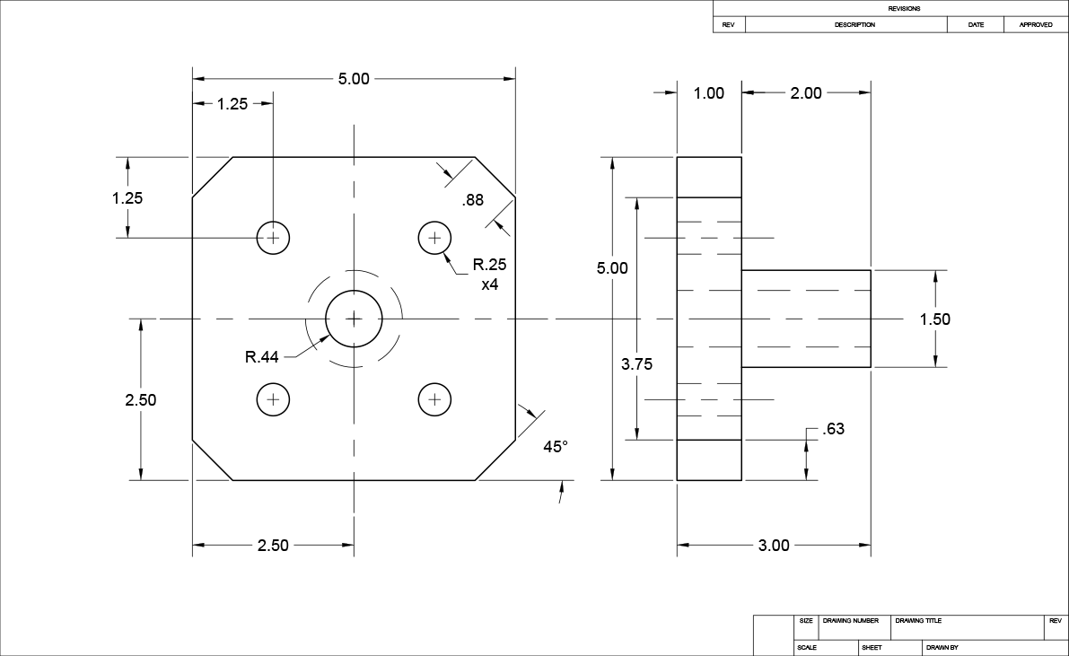
to complete the side view's outer edges, specifically the 45° chamfered cuts. Leverage Object Snap functionality to precisely position line endpoints where construction lines intersect the side view geometry. Since Object is now your current layer, all new linework will automatically display as solid black lines with appropriate lineweight—maintaining the visual hierarchy essential for technical communication.

. Establish the base point at the line's midpoint for proper rotational control. Press C Enter to access the Copy option within the Rotate command—this powerful feature allows simultaneous rotation and duplication, streamlining your workflow. Align the rotated copy with the vertical tracking line and click to create a perfect 90° rotation, establishing both horizontal and vertical centerline references.
and position the new circle's center point to coincide precisely with the middle circle's center in the front view. This creates the hidden representation of the center hole as viewed from the front.


. This centralized control panel manages all layer attributes including color, linetype, lineweight, and plot settings. As demonstrated throughout this exercise, layer properties are typically preconfigured in template files, establishing consistent standards across projects and ensuring compliance with industry drafting conventions. Understanding the Layer Properties Manager becomes increasingly critical as you advance to complex multi-discipline projects where layer coordination and standards management are essential for team collaboration and project success.