Dimensioning: Free AutoCAD Tutorial
Master AutoCAD Dimensioning Tools and Professional Drawing Standards
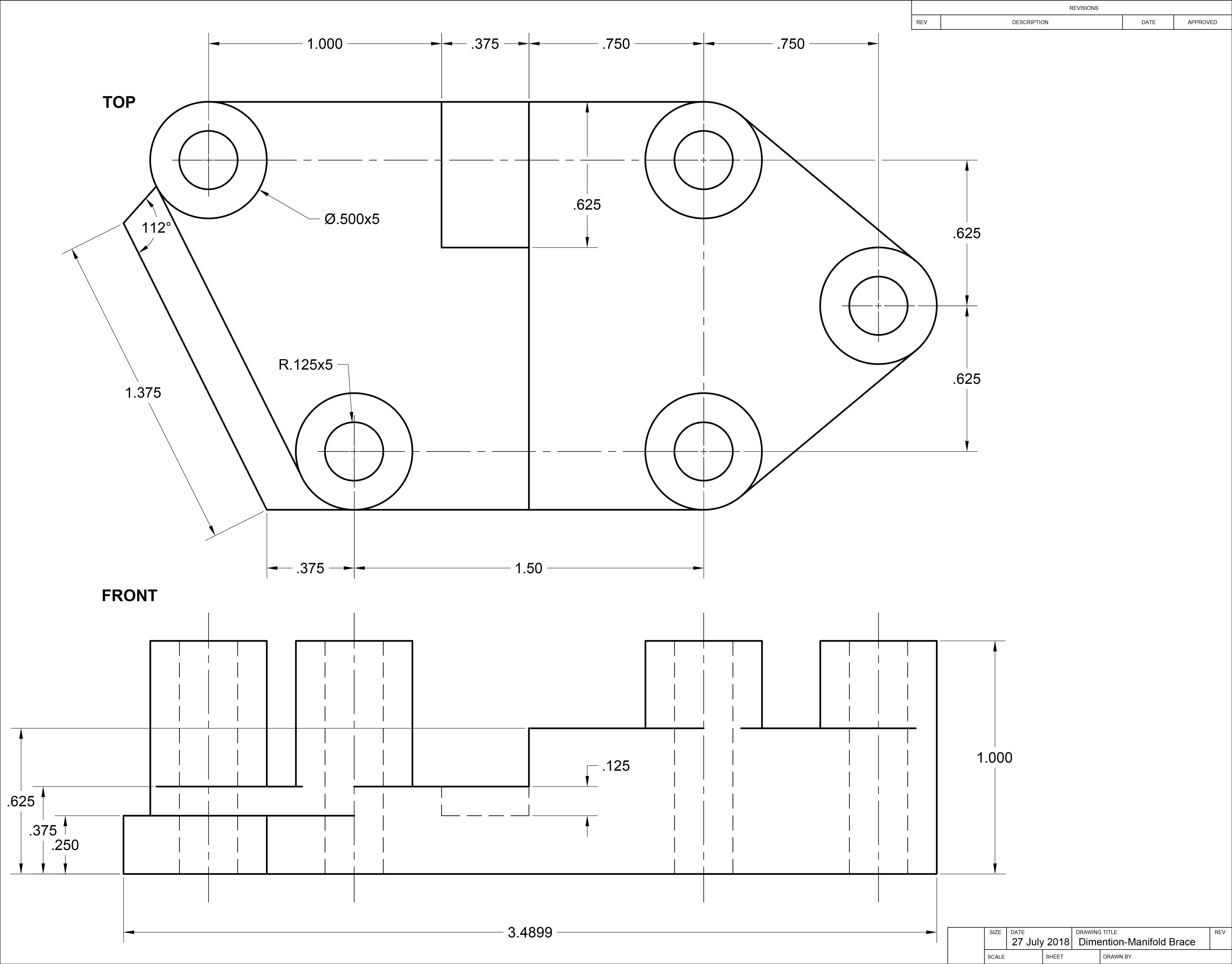
Dimensioning is critical for technical drawings as it provides precise measurements and manufacturing specifications that ensure proper construction and assembly.
Key Learning Areas
Dimensioning Tools
Master the complete set of AutoCAD dimensioning tools including linear, aligned, angular, and radial dimensions with their keyboard shortcuts.
Mechanical Dimensions
Learn specialized tools for technical drawings including centerlines, centermarks, and proper dimensioning for mechanical components.
Dimension Editing
Understand how to modify dimension styles, precision, text positioning, and resolve overlapping dimension lines professionally.
Dimensioning tools are accessible from three locations: Dimension Toolbar, Annotation Panel on Home tab, or Dimension Panel in Annotate tab for maximum workflow flexibility.
Essential Dimension Commands
Linear Dimensions
DLI command creates horizontal and vertical dimensions. Works orthographically for precise rectangular measurements on technical drawings.
Aligned Dimensions
DAL command dimensions angled edges by aligning with the slope of the line, perfect for non-orthogonal geometry.
Radial Dimensions
DRA and DDI commands handle radius and diameter measurements for circular features with automatic center mark placement.
Angular Dimensions
DAN command measures angles between two line segments, essential for mechanical drawings with precise angular requirements.
Most dimensioning commands follow the formula: D + first two letters of the tool name (e.g., Linear = DLI, Aligned = DAL, Angular = DAN).
Creating Professional Centerlines
Identify Hidden Circular Features
Locate dashed lines representing hidden edges of circular holes in front views that need centerline indication.
Apply Centerline Tool
Use the Centerline command to click on pairs of dashed lines, creating centerlines that indicate circular features.
Set Proper Layer
Change to Centerlines layer before creating centerlines to maintain proper drawing organization and line standards.
Dimensions automatically update when associated objects change size or position, maintaining accuracy throughout the design process.
Baseline vs Continue Dimensioning
| Feature | Baseline (DBA) | Continue (DCO) |
|---|---|---|
| Reference Point | Single baseline reference | Point-to-point chaining |
| Measurement Method | All from one origin | Cumulative segments |
| Best Use Case | Manufacturing tolerances | Sequential measurements |
Professional Dimension Editing
Style Assignment
Change dimension styles through right-click menu to control decimal places and formatting consistency.
Text Positioning
Use grips to reposition dimension text along dimension lines when clearance issues occur.
Break Overlapping Lines
Apply DIMBREAK command to create gaps in dimension lines where they intersect other drawing elements.
Key Takeaways























